
Separación compacta, económica y segura.

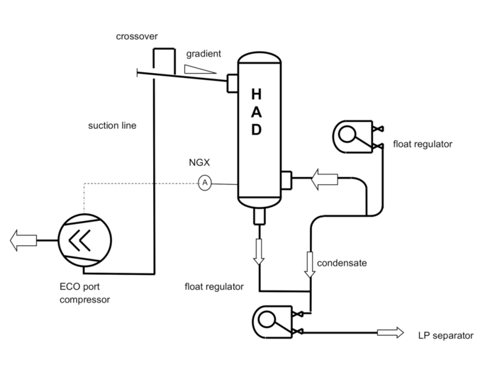
El HAD es un separador compacto de alta eficiencia en ejecución vertical que puede integrarse en casi cualquier sistema de tuberías. Está particularmente indicado para:
Cuando se debe ampliar el sistema de refrigeración, el HAD ofrece una mayor capacidad sin necesidad de cambiar el tambor de oleaje o ampliar la sala de máquinas. Una vez instalado en la línea de oleaje, el HAD separará de forma segura las gotas de líquido y se podrá elevar el nivel de líquido en el tambor de oleaje existente.
Incluso cuando la capacidad de separación de una planta de refrigeración existente no es suficiente, es posible readaptar el HAD como se ha menciónado anteriormente.
Para los sistemas de expansión directa, el HAD ofrece una seguridad adiciónal: durante las condiciónes de funciónamiento imprevistas (p. ej., un sobrecalentamiento insuficiente en cargas que cambian rápidamente) el HAD separará las gotas no evaporadas del evaporador de forma segura y, como tal, protegerá su compresor.
Aplicaciones







| Capacidad*[kW] | Capacidad** [kW] | Diametro [mm] | Altura total incl. valvulas [mm] | Conexiones [DN] | PN [bar] | Peso [kg] | |
|---|---|---|---|---|---|---|---|
| HAD 250 | 650 | 320 | 250 | 1520 | 150 | 12 - 25 | 90 |
| HAD 400 | 1400 | 690 | 400 | 1780 | 200 | 12 - 25 | 200 |
| HAD 550 | 3000 | 1460 | 550 | 2140 | 250 | 12 - 25 | 320 |
*Refrigerante: NH3, T0 = -10°C, TC = +35°C | ** Refrigerante: NH3, T0 = -40°C, TC = +35°C
En este caso, sólo díganos
Nuestro personal técnico de ventas estará encantado de selecciónar el modelo perfecto para usted.


